-
-5%

Polia Roda Livre Alternador 05 Filetes M16 Renault Master Mitsubishi Opel Vauxhall Volvo Bzmp1070
- Marca: BZM
- Modelo: BZMP1070
- Disponibilidade: Em estoque
- R$ 169,90
-
R$ 161,40
- em até 12x de R$ 13,45 sem juros
Polia de Roda Livre Mitsubishi / Opel / Renault / Vauxhall / Volvo – BZM 77.1070.0 – BZM 77.1070.0
Descrição do Produto
A Polia de Roda Livre BZM 77.1070.0 é um componente de alta qualidade projetado para garantir o funcionamento eficiente do alternador. Fabricada com materiais resistentes, oferece durabilidade superior e desempenho confiável, atendendo rigorosamente aos padrões originais de montadoras.
Ficha Técnica
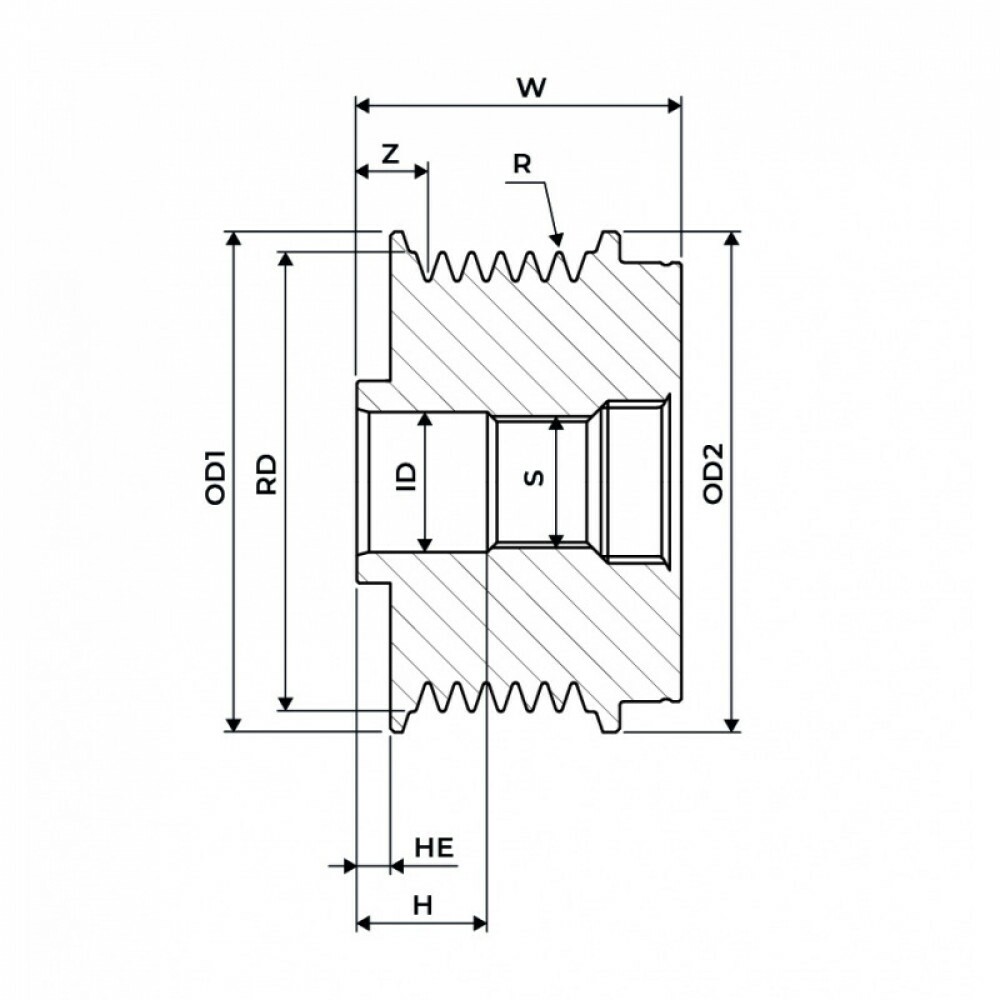
- Código do Produto: 77.1070.0
- R (Referência): 5
- OD1 (Ø Externo 1): 48.80 mm
- OD2 (Ø Externo 2): 53.50 mm
- ID (Ø Interno): 17.05 mm
- H (Altura): 16.00 mm
- HE (Altura do Encaixe): 03.80 mm
- RD (Ø da Roldana): 48.80 mm
- S (Número de Sulcos): M16
- W (Largura): 37.20 mm
- Z (Número de Dentes): 15.10
- Sentido de Rotação: CW (Horário)
Aplicações
- Mitsubishi: Carisma (1.9 DI-D, 09/2000 até 06/2006), Interstar (1.9 DCI, 07/2002 em diante), Primastar (DCI 100, 03/2001 em diante), Primastar (DCI 80, 03/2001 em diante), Space Star (1.9 DI-D, 02/2001 em diante)
- Opel: Movano Combi (1.9 DTI, 10/2001 em diante), Vivaro (1.9 DI, 08/2001 em diante), Vivaro (1.9 DTI, 08/2001 em diante)
- Renault: Laguna II (1.9 DCI - Alternador/Alternator Valeo 120A, 03/2001 em diante), Master II (1.9 DCI - Alternador/Alternator Valeo 120A, 11/2001 em diante), Megane II (1.9 DCI - Alternador/Alternator Valeo 120A, 11/2002 em diante), Trafic II (1.9 DCI, 1.9 DCI 100 - ELOC, 1.9 DCI 80 - ELOB, DCI 100, DCI 80 - Alternador/Alternator Valeo 120A, 03/2001 em diante)
- Vauxhall: Movano (1.9 DTI, 10/2001 em diante), Vivaro (1.9 DI, 08/2001 em diante), Vivaro (1.9 DTI, 08/2001 em diante)
- Volvo: S40 I (1.9 DI, 07/2000 até 12/2003)
OEM (Códigos de Referência)
- Dayco: ALP2352
- Gates: OAP7082
- General Motors/Chevrolet: 93190867
- Hutchinson: DB0261
- Ina: F234637, F23463704, F2346371, F2346374
- Luk: 535004810
- Nissan: 2315100Q0A
- Opel: 4417573
- Renault: 7701477507, 8200584039
- Ruville: 55583
- SKF: VKM03602
- Valeo: 2604092, 31251073, 5648621, 593516
Motor de Partida
- General Motors/Chevrolet: 4403540, 4404331, 4417846, 4430587, 9111540, 9112331, 93160666, 93161424, 93191541
- Lester: 20841, 23160
- Mitsubishi: S883627
- Nissan: 2310000Q0B, 2310000Q1A, 2310000QAL, 2310000QBD
- Opel: 4417295, 93161923
- Renault: 7700426849, 7701473614, 7701477001, 7711134312, 7711134316, 8200022774, 8200086130, 8200162474, 8200495301, 8200495302, 8200538815, 8200571815, 8200590255
- Valeo: 437208, 437351, 439292, 439341, SG12B050, SG12B095, SG12B108, SG12B116
- Volvo: 2542523, 30620870, 36002231, 8251641, 8602356, 8602806
Imagem meramente ilustrativa.
RDi2 Distribuidora: Experiência no segmento desde 2011, a sua confiança em peças automotivas diesel.
Emitimos Nota Fiscal para pessoas físicas (CPF) e pessoas jurídicas (CNPJ). Compras realizadas por CNPJ fora do estado de São Paulo podem estar sujeitas à cobrança adicional de ICMS-ST (Substituição Tributária), conforme a legislação fiscal vigente. Antes de finalizar a compra, entre em contato conosco pelo campo de perguntas para verificar possíveis encargos adicionais.
Envio para todo o Brasil ou se preferir, retire em nossa loja física!
RDi2 a escolha de quem não pode parar!



